#global.skipToContent# #global.skipToSearch# #global.skipToNav#

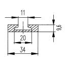
Aluminiowa listwa mocujaca Airline dl. 2998 mm z otworami, szer. 34 mm, wys. 9,6 mm

Szyny mocujace typu Airline Alu L 2998 mm

Rodzaj 
442,38 zł
w tym 23% VAT , plus wysyłkę